行业新闻 |
|
H 桥电路通常用于为自动化系统中的不同电气元件(如电机控制电路、变频器VFD 和 DC/AC 电流转换)提供电流切换功能。 将单极性直流电压转换为交流电压有很多用途,这种策略背后的驱动元件称为“H 桥”。
什么是 H 桥电路? H 桥电路通常用于许多应用,尤其是在自动化和机器人行业。H 桥的整体功能是切换电流的极性。切换电流极性的功能有很多用途,包括: 直流转交流转换器 交流转交流转换器 DC-DC 推挽式转换器 电机控制器 双极步进电机 逆 变 器 直流电机驱动器
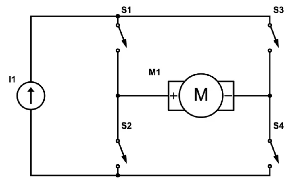
由于用途如此广泛,了解 H 桥电路的应用及其工作的基本原理对设计过程中非常有益。 “H 桥”这个名字来源于 H 桥原理图的大致形状。基本层 H 桥的原理图包括位于“H”水平部分的待切换负载,以及位于“H”垂直构件上的四个开关(见图1)。 图 1.一个基本的 H 桥,用于创建可逆直流电机驱动器。图片由作者提供 在如上所示的基本 H 桥中,负载可通过电路中的开关接收不同极性的电流。根据原理图中的编号方案,我们可以看到,当 S1 和 S4 同时闭合时,电机将沿一个方向旋转。当 S2 和 S3 闭合时,电机将沿相反方向旋转。 设计上,决不允许S1/S2 对或S3/S4 对同时闭合。如果 H桥 同一侧的两个开关(如 S1 和 S2)同时闭合,将导致电源直接短路,从而可能损坏电路或导致故障。
H 桥如何工作? H 桥的核心原理是通过选择性闭合四个开关中的两个来控制负载两端的电压方向。以下是上面图 1 所示的 H 桥的一个典型运动场景的快速说明: 正向运动:闭合 S1 和 S4。 反向运动:闭合 S2 和 S3。 制动:同时闭合 S1 和 S3,或 S2 和 S4(这会使电机端子短路,导致快速制动)。 滑行:断开所有开关,使电机自然滑行至停止,无需主动制动。 在实际应用中,这些开关并非如图所示的机械开关。相反,它们是像 MOSFET(金属氧化物半导体场效应晶体管) 或 BJT(双极结型晶体管) 等晶体管,可以快速打开/关闭。使用这些固态开关可实现更精细的控制、更快的开关速度,并且能与微控制器或控制电路集成。
H 桥的常见用途 H 桥应用范围很广,从小型电子设备到工业电机控制器均由涉及。
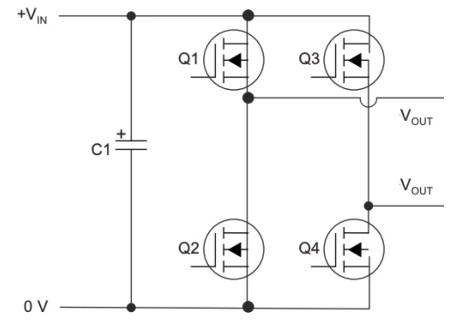
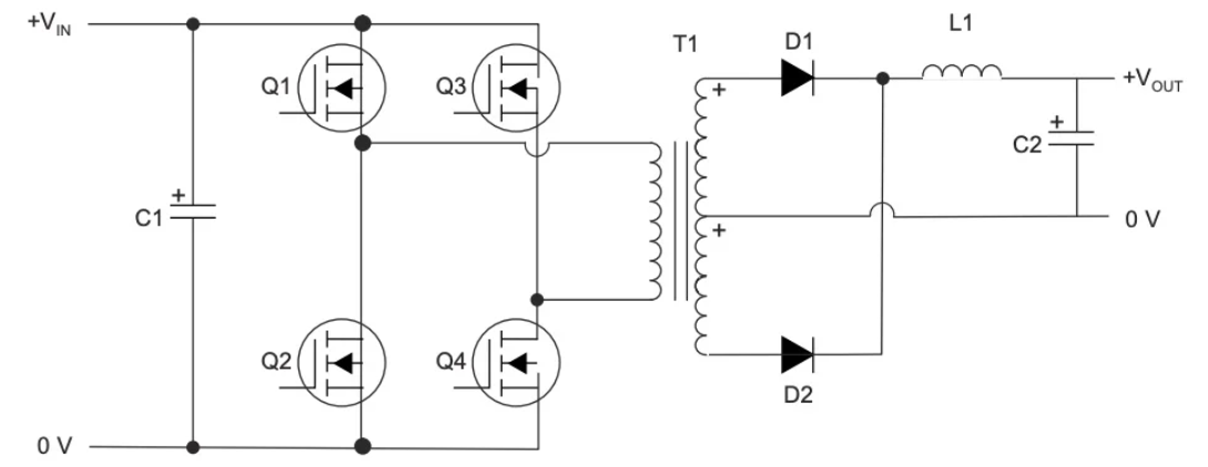
直流电机控制 在机器人和自动化领域,直流电机在控制系统功能中起着至关重要的作用。它们提供经济且简单的运动方式,广泛用于从机械臂到输送系统的所有领域。H 桥电路使直流电机能够改变方向并提供制动或电机滑行功能。通过调整开关的操作方式,控制器可以轻松管理电机的行为状态。 图 2. 该直流电机速度控制器使用了四个大型 MOSFET(位于 PCB 底部中央)。图片由Control.com提供。 电机速度可通过调整施加到电机的电压占空比来改变,这种技术通常称为 PWM 电机控制,在需要精确速度调节的应用中至关重要。机器人、无人机、电动机械等均受益于 H 桥电机控制电路的强大功能和灵活性。 功率逆变器 大多数现代功率逆变器使用某种形式的 H 桥将直流转换为交流。H 桥以所需输出频率(通常为 50/60 Hz)切换直流。 通过 H 桥切换极性可有效产生交流电,尽管所得波形为方波,而非传统电网交流电的正弦波。为了产生更纯净的正弦波输出,需使用带有脉冲宽度调制(PWM)技术的附加滤波级。 图 3. 一个使用 MOSFET 将直流电转换为交流电的基本 H 桥电路。图片由Texas Instruments提供。 逆变器应用于可再生能源系统(如太阳能电池板和风力涡轮机)、不间断电源和电动汽车等,这些均依赖 H 桥电路。 交流转交流转换器 H 桥还可用于交流转交流转换,将一种形式的交流电转换为另一种形式的交流电。这类转换器最常见的应用之一是在变频器(VFD)中。变频器通过改变提供给电机的交流电频率来控制电机速度。通常,输入的交流电首先整流为直流电,然后通过 H 桥,当与适当的感性负载配对时,H 桥将直流电以所需频率脉冲回交流电。 H 桥可通过脉冲宽度调制(PWM)进行调节,以产生接近正弦波的输出波形。通过控制输出频率,可精确调节电机速度,从而在工业系统中实现显著的节能效果和更好的过程控制,同时也为自动化过程提供更精确的电机控制。 直流转直流转换器 H 桥电路也可用于某些类型的直流转直流转换器,这是一种用于高效升高或降低直流电压电平的常见设备。在这些应用中,H 桥(有时称为全桥转换器)通过交替初级绕组中的电流方向,使电流快速通过变压器切换。这种双向激励使变压器铁芯在两个方向上均被磁化,有助于防止铁芯饱和,同时提高效率。 图 4. 全桥DC - DC转换电路,利用MOSFET驱动的H桥(Q1 至 Q4)。图片由Texas Instruments提供。 电流通过变压器后,产生的电压经过整流和滤波,以产生稳定的直流输出。这种方法常见于电信设备、电池供电设备和工业控制等系统中,这些系统对电源效率和电气隔离均有严格要求。在这些转换器中使用H桥可实现高频运行,并可靠处理更高功率水平。 结论 H 桥是电子、自动化和机器人领域的基础电路。通过精确控制电流方向,进而控制电机旋转,H 桥为控制系统开辟了广泛的可能性。从基本的直流电机控制或复杂的变频器到高性能逆变器,H 桥的原理始终如一。 对于从事电子、嵌入式系统或机电一体化工作的任何人来说,了解 H 桥的工作原理、典型用途和设计注意事项是一项宝贵的技能。无论您是在构建小型机器人还是设计工业电机控制器,H 桥都可能成为您项目的一部分。 |



|
|||||||||||||||